

概述
地鐵作為公眾聚集場所,具有空間狹小,人流量大,用電設備多,供電要求高等特點。當火災發生時,消防設備能否正常工作,直接關系到人民生命安全和國家財產安全。而因設備老化、供電中斷造成消防設備不能正常工作,火災災情得不到有效控制的悲劇屢見不鮮。消防設備的電源是各類型消防設備(系統)的重要組成部分,在消防滅火過程中起著至關重要的作用。因此,為保證消防設備在發生火災時能及時正常工作,針對消防設備電源的監控系統應運而生。
GB25506-2010《消防控制室通用技術要求》作出了“消防控制室應能顯示系統內各消防用電設備的供電電源和備用電源的工作狀態和故障報警信息”的強制性規定,GB50116-2013《火災自動報警系統設計規范》也對消防控制室內要設置消防電源監控器提出了明確要求。因而,通常在地鐵設計和建設時會設置消防設備電源監控系統。
參考標準
GB 50157-2013 地鐵設計規范
GB 50116-2013 火災自動報警系統設計規范
GB 25506-2010 消防控制室通用技術要求
GB 28184-2011 消防設備電源監控系統
消防設備電源監控系統在地鐵中的應用
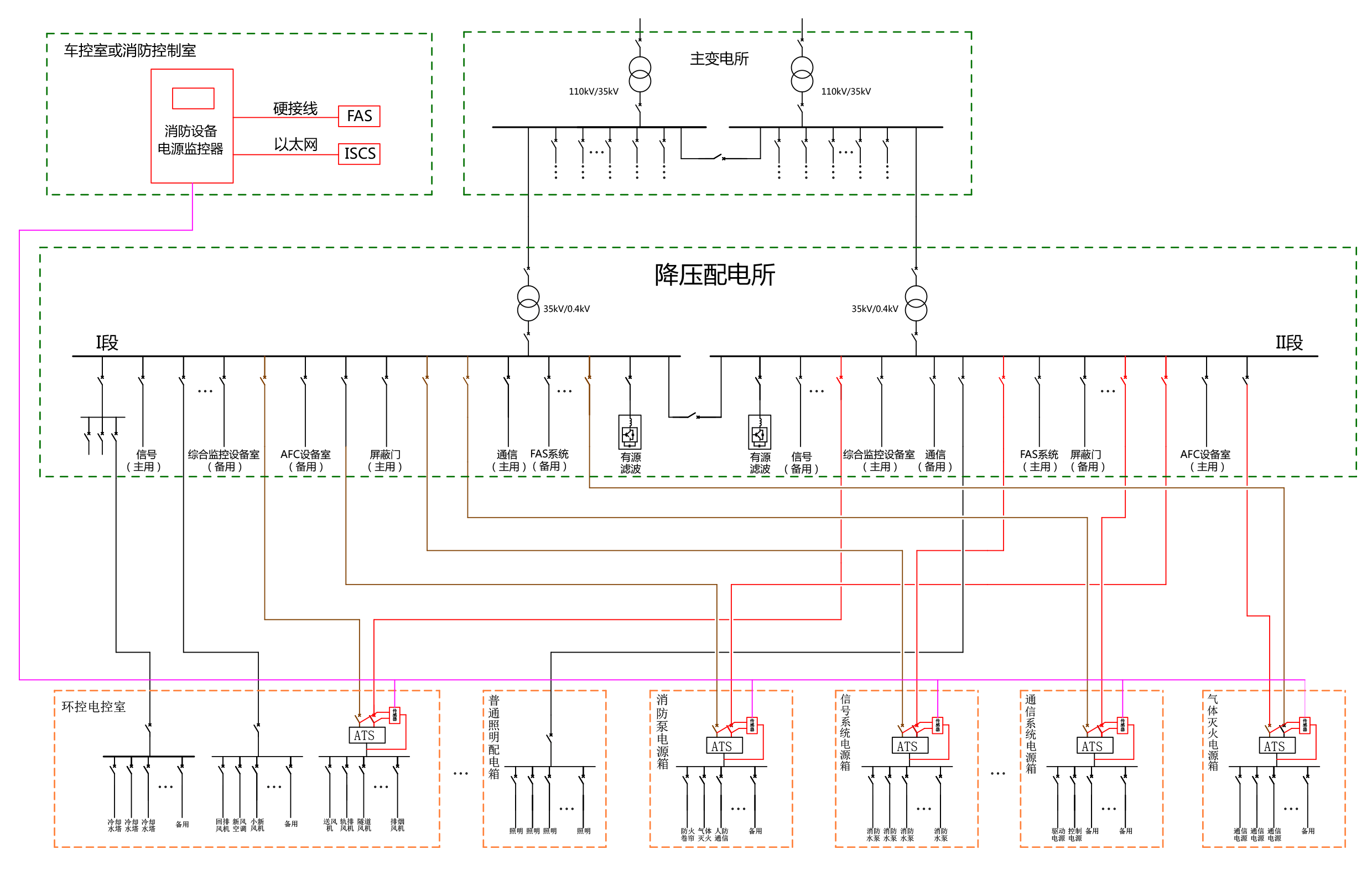
消防設備電源監控系統由消防設備電源狀態監控器、信號傳感器、現場總線及專用軟件等部分組成。在地鐵中,根據規范要求,需在消防泵電源、氣體滅火電源、FAS系統電源等消防負荷中設置電壓/電流信號傳感器。同時為了提高供電可靠性,一些重要設備負荷如信號系統電源、通信系統電源、車站環控一級負荷總進線配電柜等建議安裝電壓/電流信號傳感器。
消防設備電源監控系統按車站設置,監控主機設置在車控室或消防控制室內,同時為火災報警系統(FAS)預留接口、為綜合監控系統(ISCS)預留RS485、以太網等通訊接口,以實現系統監控信息上傳。

信號傳感器通過消防二總線將實時參數和報警信息上傳給監控主機。消防二總線有效通信距離遠,無極性,且布線靈活,支持星形、樹形等拓撲結構,施工簡單、維護方便。
地鐵消防設備電源監控系統的配置方案
在環控配電室進線柜安裝一只SCK833V電壓傳感器,同時監測ATS進線(主/備)及出線共計3路電壓,柜內傳感器經消防二總線連接至監控主機下行通信口。在消防負荷、通信、信號等重要負荷配電箱內安裝SCK832V電壓信號傳感器,同時監測ATS進線(主/備)電壓,經消防二總線連接至監控主機;傳感器工作所需DC24V電源由監控主機提供,確保傳感器在市電斷電的情況下正常工作。

本方案中采用的監控主機為壁掛式,體積小巧,適合在地鐵車控室等場所使用。
方案特點
1.監控主機與信號傳感器采用消防二總線連接,可連接多達32只信號傳感器。
2.監控主機具備多種通信接口,例如RS-485通信接口、以太網接口,保證了系統的兼容性。
3.信號傳感器采用模塊化設計,結構緊湊,占用空間小,安裝靈活,具有就地顯示及報警功能。
4.信號傳感器種類齊全,可根據實際監控需求選擇相應模塊。
5.可以實時監測環控一級負荷等重要設備的電壓、電流。
6.采用無極性消防二總線通訊,接線簡單,維護方便。

監控功能簡介
對于數據中心基礎設施設備,主要非線性負荷為空調機組和照明及辦公設備等,采用動態消諧式無功補償提升系統功率因數,同時采用有源電力濾波器解決諧波問題,消除諧波對電力系統的危害,避免諧振風險,有效改善用電環境,提升系統可靠性。
該方案主要針對數據中心的基礎設施配電,動態消諧式無功補償部分進行功率因數提升,有源電力濾波器進行諧波治理,從而使系統的功率因數和諧波都能滿足要求,更好地保障數據中心基礎設備的用電需求。
實時監測
監控設備系統實時監測接入回路的電源電壓和電流,并在主見面顯示詳情回路名稱編號內容以及各類功能按鈕。

故障顯示
當現場發生通信總線故障、傳感器自身的功能模塊運行故障及傳感器所監控設備的電源故障時,監控器在20秒內檢測到故障狀態,同時發出聲光報警信號,并自動進行詳盡順序的事件記錄。

歷史記錄查詢
監控設備系統自動記錄故障信息,通過報警查詢和故障查詢可查詢到所有記錄。若記錄條目過多,歷史信息不再需要的時候,可以在“參數設置”中設置清除記錄,這樣就可以清楚設置

權限管理
監控設備系統分三級權限,分別為低級權限、高級權限和管理員級權限,系統啟動后,默認無操作權限登錄。(手動消音操作可在無權限情況下進行操作)

運行信息
監控設備系統顯示監控器所接各類傳感器的在線數和總數。

產品介紹
消防設備電源狀態監控器
SCK880-B
特點
? 圖形點陣工業液晶;
? 支持中文輸入,中文顯示探測器位置;
? 總線采用無極性、兩線制,布線簡便
? 三級操作權限設置,方便管理;
? 實時監控,精確定位故障點信息;
?可以對被監控設備的電源故障進行早期的預見性告警和緊急性報警,以便及時排除隱患,保障消防聯動系統的可靠性;
?支持2路繼電器輸出,工作模式固定:第一路輸出為報警輸出,第二路輸出為故障輸出。
?自備后備電源,支持4小時連續供電。
功能
? 監控報警,故障報警,自檢,信息顯示及查詢
應用場景
? 車站車控室

區域分機(中繼器)
SCK860
特點
? 自帶1路消防二總線,可向下監測最多64個信號傳感器。
? 支持中文顯示,幫助用戶更快更準確的確定故障位置。
? 內置后備電源,為下端信號傳感器提供可靠的DC24V電源。
? 可記錄10000條以上保障報警事件記錄。
? 全電子編碼,可通過監控設備或按鍵現場改寫,工程調試簡單可靠。
功能
? 延長通訊距離;提供24V電源;消音、自檢、復位;事件記錄;聲光報警

電壓/電流信號傳感器
SCK831VA、SCK832VA、SCK833VA
特點
? 種類齊全,可根據實際監控需求選擇相應模塊;
? 采用模塊化結構設計,安裝起來靈活,結構緊湊,占用空間小,并能實現就地報警功能;
? 總線采用無極性、兩線制,布線簡便;
? 支持2路開關量輸入,1路繼電器輸出;
功能
? 對消防電源過壓、欠壓、過流、缺相等故障保護
應用場景
? 環控電控柜,配電箱
